Лампочки и ленты - Светодиодная лента
Светодиодная лента предназначена для создания контурной и декоративной интерьерной или фасадной подсветки. С ее помощью можно подсветить внутреннюю поверхность шкафов, книжные полки, лестничные ступеньки, картину или зеркало. Она позволяет расставлять акценты в интерьере или равномерно подсвечивать определенные конструкции.
Большинство светодиодных лент можно устанавливать в любых помещениях, независимо от уровня влажности воздуха, другие – на улице. Для ванной и кухни рекомендуются изделия, защищенные силиконовой трубкой и имеющие IP 54, 65 или 68.
Преимущества и рекомендации по эксплуатации
В среднем лента служит до 50 000 часов. При использовании по 8 часов в сутки это означает до 17 лет бесперебойной работы.
Лента выделяет минимальное количество тепла и практически не нагревается, что сводит к минимуму риск возгорания и пожара. Это позволяет оставлять ее включенной в режиме 24/7/365. Также она потребляет минимум электроэнергии при высокой светоотдаче.
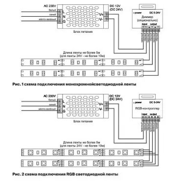
Для подключения ленты вам понадобится специальный блок питания, трансформирующий стандартное напряжение 220 Вольт в пониженное. Для интерьерной подсветки рекомендуем выбрать более дешевую 12-вольтную ленту, а для экстерьерной – на 220 V, так как у нее обычно более высокая герметичность.
В гипермаркете «ImperiumLOFT» представлен впечатляющий ассортимент монохромных и многоцветных светодиодных лент любой длины для интерьерной и наружной фасадной подсветки. В каталоге имеются изделия разного целевого назначения. Некоторые модели поставляются в комплекте с блоком питания и пультом дистанционного управления.






















![Лента светодиодная [50 м] Horoz Electric HL543L HRZ00001187 Цвет арматуры неокрашенный Лента светодиодная [50 м] Horoz Electric HL543L HRZ00001187 Цвет арматуры неокрашенный](https://imperiumloft.by/image/cache/catalog/svetilniki/1/971129848-imperiumloft-bez-nalichiya-lenta-svetodiodnaya-50-m-horoz-electric-hl543l-hrz00001187-tsvet-armatury-neokrashennyj-horoz-electric-370x370.webp)























![Лента светодиодная [5 м] Elektrostandard 5050 a049847 Лента светодиодная [5 м] Elektrostandard 5050 a049847](https://imperiumloft.by/image/cache/catalog/svetilniki/3/325183345-imperiumloft-bez-nalichiya-lenta-svetodiodnaya-5-m-elektrostandard-5050-a049847-elektrostandard-370x370.webp)


![Лента светодиодная [5 м] Elektrostandard 24V 60Led 14,4W IP20 Black 5050 24V 60Led 14,4W IP20 Black Лента светодиодная [5 м] Elektrostandard 24V 60Led 14,4W IP20 Black 5050 24V 60Led 14,4W IP20 Black](https://imperiumloft.by/image/cache/catalog/svetilniki/5/51302059-imperiumloft-bez-nalichiya-lenta-svetodiodnaya-5-m-elektrostandard-24v-60led-14-4w-ip20-black-5050-24v-60led-14-4w-ip20-black-elektrostandard-370x370.webp)
















![Лента светодиодная [5 м] Elektrostandard 5050 a049846 Лента светодиодная [5 м] Elektrostandard 5050 a049846](https://imperiumloft.by/image/cache/catalog/svetilniki/4/531013091-imperiumloft-bez-nalichiya-lenta-svetodiodnaya-5-m-elektrostandard-5050-a049846-elektrostandard-370x370.webp)


![Лента светодиодная [5 м] Elektrostandard 2835 a050576 Лента светодиодная [5 м] Elektrostandard 2835 a050576](https://imperiumloft.by/image/cache/catalog/svetilniki/6/774470287-imperiumloft-bez-nalichiya-lenta-svetodiodnaya-5-m-elektrostandard-2835-a050576-elektrostandard-370x370.webp)






![Лента светодиодная [5 м] Elektrostandard 2835 a050539 Лента светодиодная [5 м] Elektrostandard 2835 a050539](https://imperiumloft.by/image/cache/catalog/svetilniki/9/580074965-imperiumloft-bez-nalichiya-lenta-svetodiodnaya-5-m-elektrostandard-2835-a050539-elektrostandard-370x370.webp)


















![Лента светодиодная [5 м] Elektrostandard 2835 12V 120Led a052849 Лента светодиодная [5 м] Elektrostandard 2835 12V 120Led a052849](https://imperiumloft.by/image/cache/catalog/svetilniki/8/20389276-imperiumloft-bez-nalichiya-lenta-svetodiodnaya-5-m-elektrostandard-2835-12v-120led-a052849-elektrostandard-370x370.webp)






![Лента светодиодная [5 м] Elektrostandard 2835 24V 120Led a052963 Лента светодиодная [5 м] Elektrostandard 2835 24V 120Led a052963](https://imperiumloft.by/image/cache/catalog/svetilniki/4/140321856-imperiumloft-bez-nalichiya-lenta-svetodiodnaya-5-m-elektrostandard-2835-24v-120led-a052963-elektrostandard-370x370.webp)









