Лампочки и ленты - Светодиодная лента
Светодиодная лента предназначена для создания контурной и декоративной интерьерной или фасадной подсветки. С ее помощью можно подсветить внутреннюю поверхность шкафов, книжные полки, лестничные ступеньки, картину или зеркало. Она позволяет расставлять акценты в интерьере или равномерно подсвечивать определенные конструкции.
Большинство светодиодных лент можно устанавливать в любых помещениях, независимо от уровня влажности воздуха, другие – на улице. Для ванной и кухни рекомендуются изделия, защищенные силиконовой трубкой и имеющие IP 54, 65 или 68.
Преимущества и рекомендации по эксплуатации
В среднем лента служит до 50 000 часов. При использовании по 8 часов в сутки это означает до 17 лет бесперебойной работы.
Лента выделяет минимальное количество тепла и практически не нагревается, что сводит к минимуму риск возгорания и пожара. Это позволяет оставлять ее включенной в режиме 24/7/365. Также она потребляет минимум электроэнергии при высокой светоотдаче.
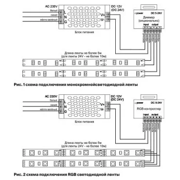
Для подключения ленты вам понадобится специальный блок питания, трансформирующий стандартное напряжение 220 Вольт в пониженное. Для интерьерной подсветки рекомендуем выбрать более дешевую 12-вольтную ленту, а для экстерьерной – на 220 V, так как у нее обычно более высокая герметичность.
В гипермаркете «ImperiumLOFT» представлен впечатляющий ассортимент монохромных и многоцветных светодиодных лент любой длины для интерьерной и наружной фасадной подсветки. В каталоге имеются изделия разного целевого назначения. Некоторые модели поставляются в комплекте с блоком питания и пультом дистанционного управления.





















![Лента светодиодная [100 м] Feron Saffit LS704 26242 Лента светодиодная [100 м] Feron Saffit LS704 26242](https://imperiumloft.by/image/cache/catalog/feron/afyibvpfkktkr3govdirbh4psyelt2bo-370x370.webp)






























![Шнур световой [50 м] Elektrostandard LS 001 220V 9,6 IP67 LS001 220V Шнур световой [50 м] Elektrostandard LS 001 220V 9,6 IP67 LS001 220V](https://imperiumloft.by/image/cache/catalog/svetilniki/9/389412438-imperiumloft-bez-nalichiya-shnur-svetovoj-50-m-elektrostandard-ls-001-220v-9-6-ip67-ls001-220v-elektrostandard-370x370.webp)
















































![Лента светодиодная [5 м] Deko-Light 840179 Лента светодиодная [5 м] Deko-Light 840179](https://imperiumloft.by/image/cache/catalog/svetilniki/9/231667330-imperiumloft-bez-nalichiya-lenta-svetodiodnaya-5-m-deko-light-840179-deko-light-370x370.webp)

![Лента светодиодная [5 м] Elektrostandard 24V 60Led 24W IP20 RGBW 5050 24V 60Led 24W IP20 RGBW Лента светодиодная [5 м] Elektrostandard 24V 60Led 24W IP20 RGBW 5050 24V 60Led 24W IP20 RGBW](https://imperiumloft.by/image/cache/catalog/svetilniki/8/452071097-imperiumloft-bez-nalichiya-lenta-svetodiodnaya-5-m-elektrostandard-24v-60led-24w-ip20-rgbw-5050-24v-60led-24w-ip20-rgbw-elektrostandard-370x370.webp)














